Navy Shore Station LF & VLF Transmitters



Excerpt from "Evolution of Naval Radio-Electronics and Contributions of the Naval Research Laboratory" - Louis A, Gebhard, GPO 1979.

VLF Transmission

The transition from the international Morse code keying transmission system to the automatic teleprinter system came about much later on the very-low-frequency circuits than on those in the high-frequency band, This was primarily due to the extremely low bandwidth characteristic of the huge shore station antennas at the very-low frequencies, which imposed a limit on the speed of transmission (20 words per minute, continuous wave, international Morse code keying) to about one-half that required for teleprinter operation at its lowest speed. In overcoming this limitation, NRL devised the first teleprinter system providing effective operation on the very-low-frequencies (1951) . The performance of this system was demonstrated in operations using transmissions from the Navy's VLF station at Annapolis, Maryland (NSS, 15.5 kHz) over long distance circuits to Iceland, England, Panama, Canal Zone, and North Africa. This system was self synchronizing and provided the encoding of a standard teleprinter signal into a four level signal having one half the keying rate of the original, The transmitter was shifted through the four frequency levels by the encoded signal which, as modified, could then be accommodated by the bandwidth of the antenna, At the receiver, a decoding device converted the received four level signal back into its original form for operation of the teleprinter. A novel, stable, regenerative circuit provided a much higher degree of selectivity in the frequency-shift receiver than had previously been attained (25 Hz bandwidth), A specially designed discriminator permitted segregation of the signals on the four frequency levels, which were separated by a very small difference in frequency (4 Hz).

With the advent of the Polaris weapon system, grave concern arose regarding  the reliability of command and control communications via the Navy's VLF transmitting system. In responding to this situation, NRL developed a VLF facsimile transmission system which was first to provide reliable command and control communication from a single high power transmitting station in the United States to continuously submerged submarines when operating in any critical world area (1959). Early in 1959, the submarine USS KATE used the system successfully on its trip to the North Pole, The submarine USS TRITON, in accomplishing the first circumnavigation of the globe, submerged, used the system throughout the voyage with good results (February-May 1960). The system was installed on all Polaris submarines and provided highly reliable command-control communications during the critical period that followed, This system became known as "Bedrock". The Navy's existing transmitting system had to contend with high atmospheric noise levels prevalent at the very low frequencies which produced low signal to noise ratios and seriously affected the reliability of communications in distant areas of operational importance, such as the Mediterranean Sea, In the system devised, the superior performance obtained under extremely low signal to noise ratio conditions was achieved through the use of very narrow frequency bandwidth transmissions and the redundancy provided by facsimile type signaling, A facsimile-controlled exciter provided the small frequency shifting of the transmitter. The frequency-shift receiver utilized the novel techniques for high selectivity and discrimination previously devised for the VLF teleprinter system, Transmitter components were provided for installation at shore stations: NSS, Annapolis, Maryland; NAA, Cutler, Maine; NPM, Lualualei, Hawaii; NPG, Jim Creek, Washington; and NBA, Summit, Panama Canal  Zone (1958-1964). Receiver components were supplied for submarines, the first installation being made on the USS SABLEFISH (January 1959) . In the trials of the system made with this submarine in the Mediterranean Sea area, excellent submerged reception results were obtained on transmissions from the station at Annapolis, Maryland. Similar results were obtained by the submarine USS BANG at its station in the North Atlantic off Norway (February 1959).

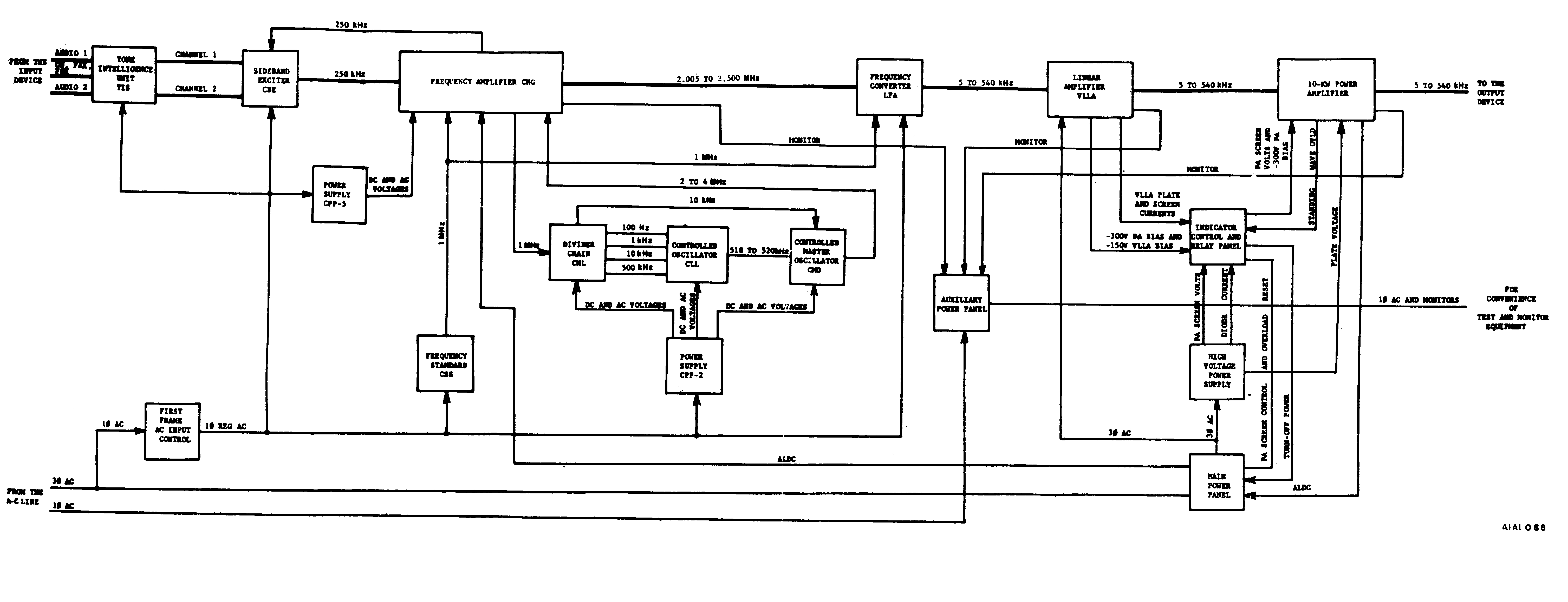
NRL developed a frequency-shift keyer which for the first time permitted automatic operation of the Navy's VLF transmitters at a rate as high as 60 words per minute with a high degree of reliability for command-control communications to Polaris submarines (1963) . All of the Navy's high power stations were then equipped with these keyers.

The system utilized two frequency levels for keying with provision to avoid the large voltage and current transients previously experienced when the large quantity of oscillatory energy in the antenna system was abruptly changed in frequency. These transients had, at times, caused a flashover of "horn-gaps" and other protective devices followed by objectionable shutdown of transmitters due to overload. In certain instances, critical damage occurred, such as the burnout of antenna loading inductance cable, rendering the station inoperative for a considerable period. The transients were avoided by beginning each successive "mark" and "space" frequency shirt at the zero-crossing points of the "mark" and "space" frequencies, when these points were coincident in phase, and arranging the rate of change of frequency to be linear during the transition process. The transition period was of such length as to hold the sideband energy generated during transition within the frequency bandwidth of the antenna, Maximum utilization of the antenna bandwidth was obtained by very precisely maintaining the "mark" and "space" frequencies; this was possible with NRL-devised techniques. Full utilization of the antenna bandwidth and confinement of the sideband energy to within its limits are major factors in maximizing the rate of transmission,

The system permitted changes in the transmitter frequency to be made quickly and easily. Frequency-shift keyers of this type were provided for the Navy's VLF stations at Cutler, Maine (NAA); Jim Creek, Washington (NPG); Lualualei, Hawaii (NPM) ; Northwest Cape, Australia (NWC); and Summit, Panama Canal Zone (NBA) (1966) , During 1970, Annapolis, Maryland (NSS) and Yosami, Japan (NDT) were equipped.


Alexanderson Alternator

In use by USN at several sites from 1918-1948

Surviving transmitter at SAQ, Sweden

200kw, 12.5-28.57 kc

Good History Article

NFF- New Brunswick - 200kw Alexanderson alternator
newbrunswick-alex-01.jpg (68998 bytes)
NFF- New Brunswick - 200kw Alexanderson alternator
newbrunswick-se-02.jpg (317125 bytes)
Telefunken 500 KW Rotary Generator
yosami-01.JPG (26146 bytes)
500 KW, 17.442 kc
Yosami Japan
installed 1929 at Yosami Japan
USN use 1950-93

replaced by AN/FRT-64?
need more info about this

yosami-02.JPG (207887 bytes)
TAW, TAW-a

Installed at Lualualei (Hawaii) and Cavite (Philippines)

TAW 300kw, TAW-a 500kw, 16.6 kc

Using fifty 10kw tubes

1958 photos here

Lualualei TAW-a was replaced by AN/FRT-64 in 1964

Cavite TAW-a was presumably destroyed in 1941 attacks.

--
AN/FRT-3
frt3-110301.JPG (46281 bytes)

NAVRADSTA(T) Jim Creek Page with photo articles on transmitter and antennas

1400 kw VLF 24.8kc - RTTY & CW
frt-3-jimcreek-01.jpg (27351 bytes)
installed at NLK Jim Creek WA
manuf by RCA
frt3-1209.JPG (547733 bytes)
jimcreek-ant-01.JPG (54673 bytes)
 

AN/FRT-4
frt4-110301.JPG (83291 bytes)

AN/FRT-4 transmitter (54722 bytes) 55 kw LF 50-150 kc
similar to TCG-2 except air-cooled

AN/FRT-4 transmitter  (266781 bytes)

spec sheet

manuf General Electric

NAVSHIPS 91169

AN/FRT-4 at Buskin Lake
buskin-schwind-06.jpg (165790 bytes)
AN/FRT-4 at Buskin Lake
buskin-schwind-110307-02.jpg (333988 bytes)
View from inside AN/FRT-4 -
looking out at AN/FRT-18
buskin-schwind-110307-05.jpg (265672 bytes)
AN/FRT-10

photos thanks to NF7M

 

 

500 kw LF 100-200 kc CW/FSK -  spec sheet
dual 250 kw transmitters
diesel engines for p/s

installed at Guardamar, Spain

Info from John Cobb:
"The AN/FRT-10 was unique, a 500 kW LF giant tuning 100 - 200 kHz. It was in two amplifier bays, which we drove alternately with an external TMC synthesized exciter stack, running the single-channel KSUB broadcast at about 50 kW. It fed a 1200-foot tower, through 8-inch rigid coax and a big variometer/capacitor network in the helix house. The amplifier bays each  consisted of IPA and driver stages for the finals: four air-cooled 6697 triodes in grounded-grid push-pull configuration!"

FRT-10 right bank
frt10-right.JPG (748192 bytes)
Main building & power plant (6 diesels)
frt10-06.JPG (1126208 bytes)
Tower base & helix house
frt10-10.JPG (1074255 bytes)
Left side rear view of the PA and front of the circuit breakers panel
frt10-18.JPG (625249 bytes)
Left - front of one half of the main control
frt10-15.JPG (1089758 bytes)
Two exciters driving the AN/FRT-10
frt10-16.JPG (1078564 bytes)
Power supplies for the right side PA
frt10-17.JPG (1097200 bytes)
AN/FRT-19


frt19-102.jpg (766257 bytes)

frt19-110301.JPG (157325 bytes) 15 kw LF 30-300 kc CW/FSK
3 kw LF 300-600 kc CW/FSK

frt19-110302.JPG (157707 bytes)

Manual NAVSHIPS 92117

Manuf by Sierra Electronics

Used at NAVCOMMSTA Iceland (Grindavik) and at NAVCOMMSTA Greece (Kato Souli)

frt19_general_info.jpg (2907160 bytes) frt19_info2_sheet.jpg (2645120 bytes) frt19_ant_coupler.jpg (2266963 bytes) The antenna coupler includes a matching network and its control system, a 48 volt DC power supply, and a regulated 105 volt DC power supply. The antenna coupler matches the impedances of the transmission line and the antenna tower, for frequency-antenna height combinations listed in table 4-1. This is done by means of a variometer and a vari-coupler driven by motors, and several capacitors and inductors which may be switched into or out of the circuit electrically. Control is afforded by a local control panel in the house, and remotely by a similar panel in cabinet IV.
frt19-101.jpg (1663690 bytes) frt19_front_of_tx.jpg (1775344 bytes) frt19-helix-101.jpg (1944788 bytes) frt19_title_sheet.jpg (1452335 bytes)
AN/FRT-31

More Cutler & FRT-31 photos and info

frt31-31.JPG (42775 bytes)

2MW VLF (17.8 / 24 kc) - 
four separate 500-kw final amplifiers, each with eight ML-6697 air-cooled tubes operating in push-pull parallel

In 2000, the AN/FRT-31, -64 and -67 were upgraded with digital sine wave synthesis solid-state IPA for the tube final PAs

naa-qst-3.JPG (215485 bytes)

installed at NAA Cutler, ME 

frt31-61.JPG (60020 bytes)

Manual NAVSHIPS 94356

Manuf by Continental Electronics

cost $2,530,814

More Cutler & FRT-31 photos and info

Bill Heidig's great photos

AN/FRT-61

Manuf by Continental Electronics
cost $299,633.

Used in AN/TSC-35 transportable COMMSTA - and elsewhere?
frt61-61.JPG (87289 bytes)

AN/FRT-61 Helix House
frt61-1103-01.JPG (95922 bytes)
100 kw peak, 50 kw average
50-150 kc CW / FSK

Manual NAVSHIPS 94592

ngr-th4-frt61-01.jpg (3103280 bytes)

ngr-th4-frt61-02.jpg (3138890 bytes)

AN/FRT-64
frt64-1103-01.JPG (199215 bytes)

installed at NPM Lualualei, HI
(replaced TAW-a)
Q: Also at Yosami Japan?

1MW VLF (21.4 / 23.4 kc)
FSK +/-25 cycles

frt-64-lululei-01.jpg (27236 bytes)

similar to AN/FRT-31 but with water-cooled finals

In 2000, the AN/FRT-31, -64 and -67 were upgraded with digital sine wave synthesis solid-state IPA for the tube final PAs

Manuf by Continental Electronics
Manuals NAVSHIPS 95884,
0967-LP-384-1010

Lualualei site photos

Bill Heidig's great photos

lua-ant-01.JPG (69346 bytes)

Lualualei variometer
lualualei-variometer.jpg (26915 bytes)
-- -- --
AN/FRT-67

frt-67-exmouth-01.jpg (25767 bytes)

frt67-1103-01.JPG (148530 bytes)
AN/FRT-67 Helix Room
2MW VLF (19.8 / 22.3 kc)
Manuf by Continental Electronics

In 2000, the AN/FRT-31, -64 and -67 were upgraded with digital sine wave synthesis solid-state IPA for the tube final PAs

installed at NWC Harold E. Holt, Exmouth, Australia

More Holt info and photos

holt-ant-01.JPG (373350 bytes)
AN/FRT-72
AN/FRT-72A
AN/FRT-72 (63869 bytes)
Bouknadel 1970
(thanks to Darian Paganelli)
AN/FRT-72 (180079 bytes) 100kw peak, 50 kw average
30-150kc

NAVSHIPS 0967-033-8000

manuf by Continental Electronics 

Note - FRT-72's from Driver, Grindavik, and Thurso were moved to Colorado for use at WWVB - photo here

Thurso helix house today - photo

AN/FRT-72B
bouk-pag-05.jpg (52425 bytes)
Bouknadel 1970
(thanks to Darian Paganelli)
frt72b-1103-01.JPG (99466 bytes) 100kw peak, 50 kw average
30-150kc
frt72b-1103-02.JPG (85233 bytes)
manuf by Continental Electronics 

 

AN/FRT-73
summit-js-04.JPG (1420084 bytes)
installed at NBA Summit, Panama

summit-js-07.JPG (1190445 bytes)


Manuf by Continental Electronics
summit-js-05.JPG (1138304 bytes)
summit-js-02.JPG (648264 bytes)
1 MW VLF water-cooled
summit-js-06.JPG (1162214 bytes)
balboa-ant-01.JPG (67726 bytes) helix-house-01.JPG (52053 bytes)
AN/FRT-74

need photo & info

10 kw

5-550 kc

TMC GPT-10KLF

frt74-dia-1304.JPG (1699913 bytes)
AN/FRT-87

nss-IMG012.jpg (3072754 bytes)

1 MW VLF

Manuf by Continental Electronics

Click Here for photos and info

installed at NSS Annapolis, MD

Bill Heidig's great photos

annapolis-ant-01.JPG (139074 bytes)
Info from Roy K1LKY "I was fortunate to visit the VLF station at NSS Annapolis before it was dismantled. On that trip we learned that the narrow shift FSK keying put the carrier alternately on either side of the center of the tuned system. It was some 10 percent down the slope (memory of the details are faint.) But the antenna current was monitored at the console and would vary depending on how far down the slope the tuning had shifted the center of the very narrow sweet spot. The operator could vary one of the inductors in the system by remote control to match the two currents. That system operated at 20.4 kc I believe, at an output power of about eight tenths of a megawatt. The shift may have been on the order of 10 to 15 CPS. The antenna was one mile long, about 800 to 1200 feet up, and was tuned with a massive inductor made of five inch diameter Litz wire. Cutler Maine still operates with similar parameters, as far as I know."
AN/FRT-95 need photo modern 250kw solid-state LF (40kHz)
installed at Aguada, PR, Niscemi IT, Keflavik, and Awase
AN/FRT-95 at NDK LaMoure, North Dakota "The VLF transmitter is a prototype solid state amplifier developed under the Solid State Power Amplifier Replacement (SSPAR) program"
AN/URT-30 Shore Station VERDIN transmitter

CLARINET PILGRIM communicated to submarines piggybacked on USCG LORAN transmissions

AIRBORNE, SHIPBOARD, TRANSPORTABLE, ETC. SYSTEMS

ELF Transmitters (76 Hz) Info Page